![]()
![]()
Der Umbau einer ToUCAM Pro von Philips ist besonders einfach, da auf das riskante Loslösen der Pins am 16510 verzichtet werden kann. Der Umbau ist hier kurz SKIZZIERT. Er ist aber nur als Ergänzung zum Originalumbauanleitung unter folgendem Link gedacht:
http://astro.ai-software.com/toucam2.html
VORSICHT ! Bei allen Arbeiten an der Elektronik auf eine gute Erdung achten, damit keine statische Elektrizität die Bausteine auf der Platine zerstört !
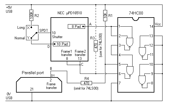
Zuerst einmal das Schema der Elektronik:

(Schema des Schaltplans von Jim Talbot, Dank an ihn)
| Kamera öffnen: Zuerst die Schraube am Standfuß lösen und dann diesen abnehmen. | |
| Platine entfernen die beiden Schrauben auf der Platine lösen. Jetzt kann die Platine aus dem Gehäuse genommen werden. Von der Seite des CCD-Chips aus sieht die Platine so aus (mit ausgelötetem 16510 auf dem Bild): |

| Wenn auf den Schalter verzichtet wird, dann kann nach folgender
Prozedur vorgegangen werden: 1. Die markierten Leiterbahnen mit einem scharfen spitzen Messer durchkratzen. Achtung: Die Leiterbahn zu Pin 10 ist die RECHTE von beiden parallel laufenden Bahnen. Nicht beide erwischen ! 2. Zur Entspannung erst einmal den 74HC00 nach obigem Schaltplan zusammenlöten und auf die Rückseite der Platine auf den großen SMD-Chip kleben. 3. Jetzt wird es knifflig: Mit einem sehr spitzen Lötkolben wird ein feiner isolierter Draht (Lackkupferdraht o.ä.) in die Durchkontaktierung "an Pin 1" im obigen Bild gelötet. Der Lötlack muss vorher vorsichtig abgekratzt werden. Das andere Ende des Drahts kommt an Pin 1 des 74HC00. 4. Ein weiterer Draht wird an Pin 8 ODER 13 (ist egal die sind untereinander verbunden) angelötet und mit Pin 6 am 74HC00 verbunden. 5. Zuletzt wird noch ein Draht an Pin 10 angelötet und an einen extra 100k-Widerstand angeschlossen, der auf der anderen Seite an +5V (Pin 1 des USB-Kabels, der ROTE Draht) angelötet wird. 6. Jetzt noch den Parallelportstecker gelötet und an den 74HC00 angeschlossen (siehe Schema und andere Bauanleitungen). | |
| Soll der Schalter doch verwendet werden, muss noch ein Draht in die oben markierte Durchkontaktierung und dann mit dem Schalter an Position Y im Schema verbunden werden. |
Jetzt kann der Umbau mit DESIRE getestet werden (siehe Steve Chambers
Webpage).
Ist der Shutter lahmgelegt, zeigt die Kamera keine Änderung der Bildhelligkeit mehr, wenn die
Geschwindigkeit der Belichtung manuell verändert wird. Im Langzeitmodus wird das Videobild SCHWARZ, solange die
Belichtung läuft.
| Ist ein weiterer Umbau für Autoguiding etc. geplant, Müssen beide Pins 8 oder 13 abgehoben werden, da diese untereinander mit einer Leiterbahn UNTER dem Chip querverbunden sind ! |