![]()
![]()

Die Erfahrungen mit meiner ersten modifizierten Vesta Pro SC 1 zeigten, dass das Einstreuen des Vorverstärkers Belichtungszeiten über 60 s sinnlos macht. Zudem wird bei Belichtungszeiten von mehr als einer Minute das Bildrauschen ohne Kühlung inakzeptabel (wenn es nicht gerade Winter ist...). Daher beschloss ich, eine vollständig modifizierte Vesta Pro SC2 mit allen Schikanen zu bauen.
Der Umbau ermöglicht folgende Optionen:
| Langzeitbelichtung mit bis zu 5 Minuten (wenn die Montierung das hergibt...) | |
| Peltier-Kühlung zur Verminderung des Rauschens und der "hot pixel" | |
| Abschalten des Vorverstärkers "amplifier glow" | |
| Die Kamera kann sich wie die Starlight-Xpress CCD-Kameras selbstständig nachführen | |
| Die Umschaltung zwischen normaler Belichtung und dem Langzeitmodus erfolgt per Software |
Der Umbau der Elektronik erfolgte nach den Plänen von Steve Chambers:
http://home.clara.net/smunch/wadm1.htm
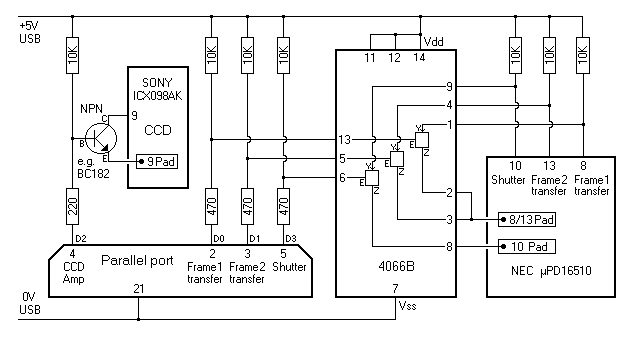
Hier der Schaltplan der Elektronik, deren externe Komponenten auf einer kleinen Extra-Platine aufgebaut werden.

(Mit Dank an Jim Talbot für das Diagramm)
Die Löterei ist nicht kinderleicht, aber machbar. Wichtig ist gutes Werkzeug und viel Zeit beim Arbeiten. Man braucht eine sehr gute Lupe, um an SMD-Chips "räumlich" zu arbeiten, ein sehr scharfes, dünnes und spitzes Messer, einen sehr feinen Lötkolben und feinen isolierten Draht (z.B. Kupferlackdraht). Ich bin kein Profi, aber habe es dann doch spontan hinbekommen.
Die Peltierkühlung habe ich nach dem raffinierten Bauplan von Peter Vasey realisiert, der das Metall der ursprünglichen Vesta-Gehäuses als Kühlkammer "missbraucht" hat:
http://www.petevasey.btinternet.co.uk/VestaPro.htm
Als Peltier-Element verwende ich ein gebrauchtes Element mit 50-60 W Leistung, dessen Wärme durch einen Athlon-CPU-Kühler abgeführt wird. Die kalte Seite ist mit dem Metallgehäuse der Kamera verbunden, so dass der CCD-Chip indirekt über die kalte Luft des Gehäuses gekühlt wird. Dadurch ist der CCD-Chip nicht das kälteste Teil und die Restfeuchtigkeit kondensiert am Metall und nicht am CCD-Element. Nach Außen ist die CCD-Kammer mit zwei optischen Fenstern gegen die Luft abgeschottet, das Kamerainnere ist abgedichtet, da sonst auf der Platine Feuchtigkeit auskondensieren könnte. Die Kühlung ist natürlich nicht perfekt, aber das Design ist einfach und der CCD-Chip muß nicht ausgelötet werden. Als Stromversorgung des Peltier-Elements dient ein gewöhnliches 200W-ATX-Netzteil eines PC's.
Als Steuerungssoftware für die Kamera benutze ich die geniale freie Software von Peter Katreniak "K3TOOLS":
In einer weiteren Ausbaustufe wird sich die Kamera über ein LX200-kompatibles Interface mit Relais auf einer EQ-5 selbst nachführen können. Dann sollten Belichtungen mit 10 Minuten ohne Probleme möglich werden. Das Selfguiding-Verfahren arbeitet wie bei den bekannten Starlight-Xpress-Kameras durch parallele Benutzung der geraden und ungeraden CCD-Zeilen. Die einen Zeilen werden für die Langzeitbelichtung gebraucht, die anderen Zeilen werden alle paar Sekunden ausgelesen und dienen als Nachführwerte für das Selfguiding über einen Leitstern. Das Verfahren arbeitet im Prinzip, allerdings sind momentan die Originalmotore meiner EQ5 viel zu "flexibel". Getriebespiel wäre kein Problem, aber das Verbiegen der Zahnradachsen führt zu nicht nachvollziehbaren Fehlern.
Alle Bilder sind mit einem Bresser Pluto/S beziehungsweise einem 8" f4,5 Newton auf einer EQ5 aufgenommen. Das Teleskop wurde bislang nicht mit dem Selfguiding nachgeführt, da die Motore der EQ5 dafür zu ungenau arbeiten. Die Bilder in Vollauflösung und alle weiteren Aufnahmen sind in der Messier- und NGC-Gallerie.

M13 Der große Kugelsternhaufen NGC7662 "Der blaue Schneeball"

M42 Der Orionnebel M51 mit 4,5" (Grenzgröße: >16 mag bei 45x60s)

M57 Der Ringnebel in der Leier M27 Der Hantelnebel

M37 im Fuhrmann M15 im Pegasus
Hier ein paar Testaufnahmen mit Dunkelbildern bei abgeschaltetem Vorverstärker während der Belichtung. Die Kamera ist (noch nicht) perfekt lichtdicht, so das die Zimmerbeleuchtung die Dunkelbilder bei den längeren Belichtungszeiten etwas aufgehellt hat.

60 s mit Kühlung / cooled (~ 5°C) 60 s ohne Kühlung / room temperature (25°C)

5 min mit Kühlung / cooled (~ 5°C) 5 min ohne Kühlung / room temperature (25°C)

10 min mit Kühlung / cooled (~ 5°C). Im der linken oberen Ecke ist noch etwas Verstärker-Glühen zu erkennen.

60 s mit Kühlung und Vorverstärker/ cooled + amp 2 min mit Kühlung und Vorverstärker / cooled + amp

5 min mit Kühlung und Vorverstärker / cooled + amp